微波炉是通过微波实现食物的加热功能,其加热食物的速度是传统加热方式的几倍到几十倍,使用微波炉加热的食物热量均匀。微波炉具有加热均匀、加热易于控制、安全卫生等特点,被许多家庭所青睐。目前,市场上流行的微波炉可按使用范围和控制方式进行分类。
一、微波炉的种类
1.按使用范围不同分类
根据其使用的范围不同,主要分为家用微波炉和商用微波炉两种。其中家用微波炉额定微波频率为2450MHz,主要用于食物的加热;而商用微波炉的额定微波频率为915MHz, 主要用于烘烤和消毒,如下图所示。
2.按控制方式不同分类
根据控制方式的不同分为微电脑控制式和机械控制式两种,如图所示。
其中微电脑控制式微波炉其微波的时间控制和功率调节,均通过以微处理器为核心自动控制电路进行控制;而机械控制式微波炉的时间控制和功率调节,则是由机械传动式电动定时器进行控制。
二、微波炉的外形结构
下图为典型的微波炉外形结构图,从图中可以看到微波炉的炉门、操作面板、炉门开关、散热口、铭牌标志等。
1.炉门
微波炉的炉门主要釆用多层门罩制成,各层门罩均釆用耐高温材料,以防止微波炉在微波加热过程中造成炉门的损坏。
2.操作面板
微波炉的操作面板根据其控制方式的不同其操作面板也不同,如下图所示。
机械控制式微波炉其操作面板主要有火力控制旋钮和定时控制旋钮,而微电脑控制式微波炉其操作面板有开始按键、火力控制旋钮、时间控制旋钮,以及不同的功能按键等,用户可以通过操作面板的旋钮、按键等对微波炉进行微波加热控制。微波炉的散热口位于微波炉的背部,微波炉内部所产生的热量通过散热口及时的排出,降低微波炉工作时产生的温度。
3.铭牌标志
微波炉的品牌、型号、功率、产地等,都通过其铭牌标志进行表示,下图所示为微波炉的铭牌标志方法。看铭牌主要看供电电压和输入功率,以便能满足家庭供电的条件。
三、微波炉的工作原理
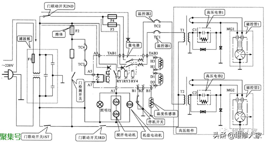
微波炉的控制简图如下图所示,主要给高压变压器T1的一次绕组加上220 V交流电压,磁控管就会工作,发射微波,对食物加热。为了进行操作控制以及安全保护,在供电电 路中设置了很多开关和检测控制电路,这样就使得电路变得较复杂,因而只要分清主供电电路和辅助控制电路,就容易理解电路原理。
1、微波炉的接线示意图
从图中可以看出,交流220 V从电源线输入后, 经过滤波板将电源输入到照明灯、锁定开关和操作控制面板中,通过操作控制面板对电路中的高压组件、电动机等组件进行控制。
2、微波炉的待机状态示意图
微波炉通电后,关闭微波炉炉门,不启动微 波炉开关,此时微波炉处于待机状态,电路中继电器无动作,电压无法输入到高压组件中, 微波炉的搅拌电动机、托盘电动机便停止工作。
3、微波炉工作示意图
微波炉通电后,关闭微波炉炉门,触动门联动开关, 并将微波炉状态调整至加热/烧烤状态,按下开始加热开关后,继电器动作,电路开始接通, 电压输入到高压电路中磁控管开始工作。同时,搅拌电动机也得到工作电压处于工作状态。
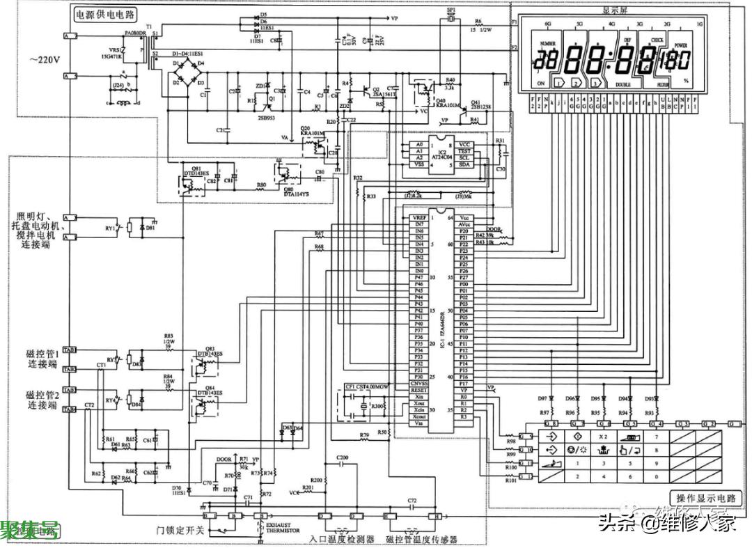
4、微波炉的电路原理图
从图中可以看出,该电路主要是由三部分电路构成的:电源供电电路、控制电路和操作显示电路。市电220 V通过电源线端送入电源电路中,经过电源电路处理后,分别送入控制电路和操作显示电路中,并通过操作显示电路将控制指令输入到控制电路中,对微波炉的整 机工作状态进行控制。










